Il Message Authentication Code (MAC) anche conosciuto come cryptographic checksum è un meccanismo crittografico utilizzato per verificare l’integrità e l’autenticità di un messaggio. In altre parole, serve a garantire che:
- Il messaggio non sia stato modificato durante la trasmissione (integrità).
- Il mittente sia autentico, cioè che il messaggio provenga davvero da chi dice di averlo inviato (autenticità).
La confidenzialità con il MAC
Il MAC, da solo, fornisce autenticità e integrità. La riservatezza (confidentiality) non è fornita dal MAC stesso, ma si ottiene aggiungendo un algoritmo di cifratura al sistema. Per combinare tutte e tre le proprietà (autenticità, integrità e riservatezza), le migliori pratiche di sicurezza (come lo schema Encrypt-then-MAC o E-t-M) prevedono che si usino chiavi crittografiche distinte (una chiave per il MAC e una chiave diversa per la cifratura) e che l’operazione di cifratura sia eseguita prima dell’operazione di MAC (cioè, il MAC viene calcolato sul testo cifrato), poiché questo ordine è generalmente considerato il più sicuro.
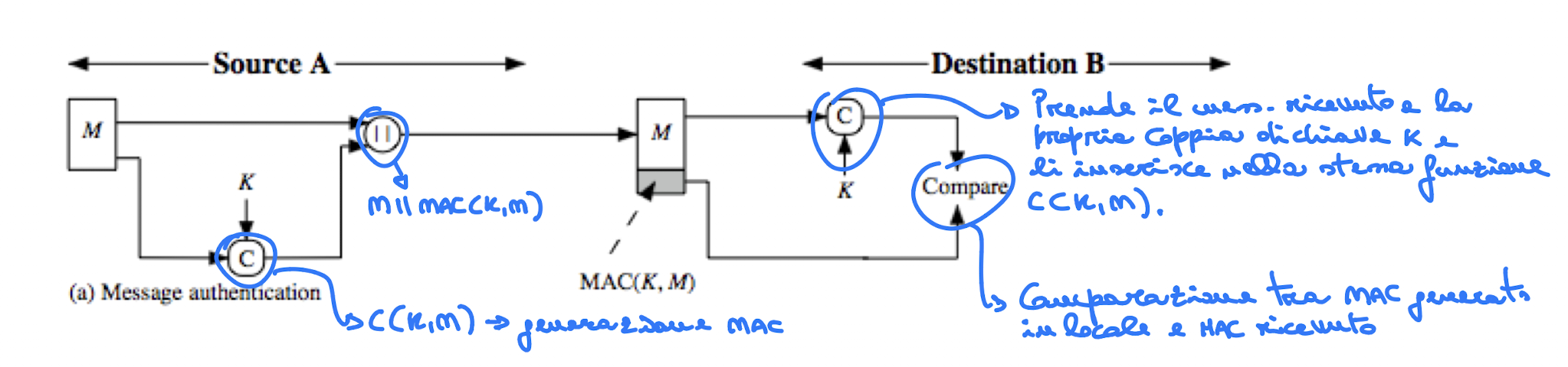
Come funziona un MAC?
Un MAC viene calcolato con una funzione crittografica che prende in input:
- il messaggio da proteggere;
- una chiave segreta condivisa (nota solo a mittente e destinatario).
MAC = f(chiave, messaggio)
Il risultato è un valore di lunghezza fissa (il MAC), che viene inviato insieme al messaggio. Quando il destinatario riceve il messaggio, ricalcola il MAC con la stessa chiave e confronta il risultato con il MAC ricevuto:
- Se i due MAC coincidono, il messaggio è autentico e integro.
- Se sono diversi, il messaggio è stato alterato o proviene da una fonte non autorizzata.

Il MAC può anche essere integrato con crittosistemi che garantiscono la confidenzialità del messaggio. Nel MAC grazie al testo cifrato non abbiamo la possibilità di implementare l'attacco a compleanno come nell'hash, però dobbiamo tenere in considerazione che l'hash è estremamente più veloce rispetto al MAC.
MAC non è firma digitale!
Il MAC è basato sulla crittografia simmetrica, invece la firma digitale si basa sulla crittografia asimmetrica.
HMAC
L’HMAC (Hash-based Message Authentication Code) è un meccanismo utilizzato per verificare contemporaneamente l’integrità e l’autenticità di un messaggio utilizzando una funzione di hash (come SHA-256) e una chiave segreta ().

In alto a sinistra vediamo . Se la chiave segreta è più corta della dimensione del blocco della funzione di hash ( bit), viene riempita con degli zeri a destra (padding) per raggiungere esattamente i bit. La chiave viene messa in XOR () con una costante fissa composta dal byte 0x36 ripetuto. Il risultato è il blocco . Questo blocco viene messo davanti al messaggio originale (che vediamo diviso in blocchi ). Il tutto viene passato nella funzione di hash (usando un valore di inizializzazione standard ). Il risultato è un digest di bit: . La chiave originale (sempre con padding di zeri) viene messa in XOR con una diversa costante fissa composta dal byte 0x5C ripetuto. Il risultato è il blocco . Questo nuovo blocco viene concatenato con il risultato del primo hash ottenuto al punto precedente. Il blocco risultante viene passato nuovamente nella funzione di hash . Il risultato finale è l’.
Osservazione sull'architettura dell'HMAC
Questo design a “doppio giro” serve a proteggere l’algoritmo da attacchi crittografici noti come “length extension attacks”, ai quali alcune funzioni di hash (come MD5 o SHA-1) sono vulnerabili se usate in modo semplice (ad esempio facendo solo l’hash di chiave + messaggio).